全国足疗信息论坛分享,51龙凤茶楼论坛合肥,全国茶楼信息网官网,辽宁楼凤论坛qm

聚焦瑞凯,传递环境检测行业新动态
瑞凯持续加强可靠性环境试验设备研发,助推电池业务发展
17 2021-04

瑞凯持续加强可靠性环境试验设备研发,助推电池业务发展

电池测试应用于多种工业领域,这些领域包括汽车、计算机、通讯、国防、和新能源市场,广泛的应用需要更加可靠的质量保证和使用安全性。作为多年深耕锂电领域、提供锂电池环境可靠性测试设备的生产企业,瑞凯仪器也迎来了新一轮发展高潮,防爆型高低温测试心技术,持续加强可靠性环境试验设备的开发与拓展,为锂电池安全保驾…
手机可靠性测试标准

手机可靠性测试标准

样品不通电,调节设定冷热冲击试验箱低温温度为-40℃,试验箱高温温度为80℃,(模式切换时间小于5mins),1循环包括…
电子元器件分哪些等级?

电子元器件分哪些等级?如何划分的?

常见的电子元器件一般是按照使用温度、辐射、抗干扰等来分级。等级分为以下5类:商业级、工业级、汽车级、军工级、航天级。商业…
环境试验与可靠性试验的区别

环境试验与可靠性试验的区别

环境试验考察的是产品对环境的适应性,确定产品的环境适应性设计是否符合合同要求,为接收,拒收提供决策依据。而可靠性试验是定…
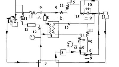
高低温试验箱运行原理

高低温试验箱运行原理

一年中室内环境温度平均在5℃~35℃间,当高低温试验箱中设定的温度明显高于室温时,无需启动制冷循环,仅依靠电加热器和试验…
如何选择高低温试验箱的制冷剂?

如何选择高低温试验箱的制冷剂?

目前,许多生产复叠式制冷机组的制造商大多采用的是R22或R13制冷剂组,R22是氢氯氟烃类制冷剂,而R13是氯氟烃类制冷…
HAST试验箱在贴片薄膜电阻失效分析中的应用

HAST试验箱在贴片薄膜电阻失效分析中的应用

本文将HAST高压加速老化试验箱应用于电阻失效机理的研究和耐湿热性能的评估中,展示了HAST高压加速老化试验箱在电阻失效…

东莞市瑞凯环境检测仪器有限公司 版权所有

备案号:粤ICP备11018191号

咨询热线:400-088-3892 技术支持:瑞凯仪器 百度统计

联系我们

  • 邮箱:riukai@riukai.com
  • 手机:189 3856 3648
  • 座机:0769-81019278
  • 公司地址:东莞市横沥镇神乐一路15号

关注我们

  • <a title="瑞凯仪器客服" target="_blank" href="javascript:void(0);"></a>客服微信